POE Splitter
Specifications :
Augmenta POE Sick LiDAR Splitter
Mount
Simple mount
Dimensional drawing
Dimensions in mm (inch)
① Scan axis
② Rotation axis
③ M4x6 with SW 3 mm/tightening torque 1.5-2.5 Nm - use all five screws for applications with high shock and vibration requirements
Fine alignment mount
Dimensional drawing
Dimensions in mm (inch)
① Rotation axis
② M4x6 with SW 3 mm/tightening torque 1.5-2.5 Nm
③ Scan axis
④ After adjustment, tighten firmly with 1.5-2.5 Nm
⑤ Note: The adjustment sleeve must not lift off the base plate during adjustment, otherwise the adjustment will become misaligned when the device is secured
⑥ Tilting possible
⑦ Adjustment range
⑧ Adjust carefully to avoid tilting, max. torque 1.5 Nm
⑨ 1st adjustment screw
⑩ 2nd adjustment screw
⑪ 3rd adjustment screw
This mount opens the possibility to fine tune the sensor so it can be parallel to the wall.

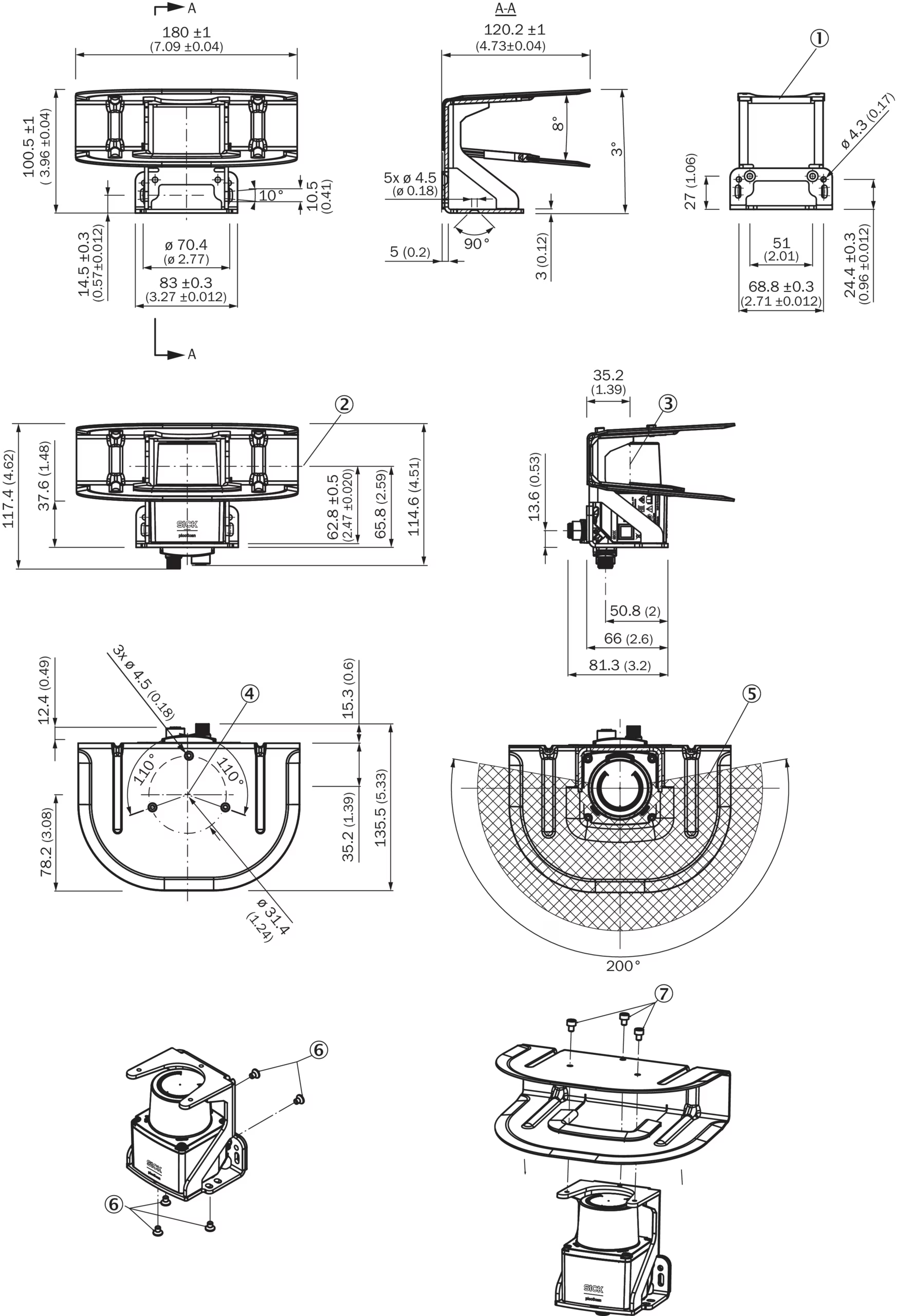
Simple mount with integrated 200° weather protection


Dimensional drawing
Dimensions in mm (inch)
① Bracket shown without weather protection hood
② Scan axis
③ Rotation axis
④ Rotation axis
⑤ Scanning area
⑥ M4x6 with SW 3 mm/tightening torque 1.5-2.5 Nm - use all five screws for applications with high shock and vibration requirements
⑦ M4x5 included in scope of delivery/tightening torque 1.5-2.5 Nm