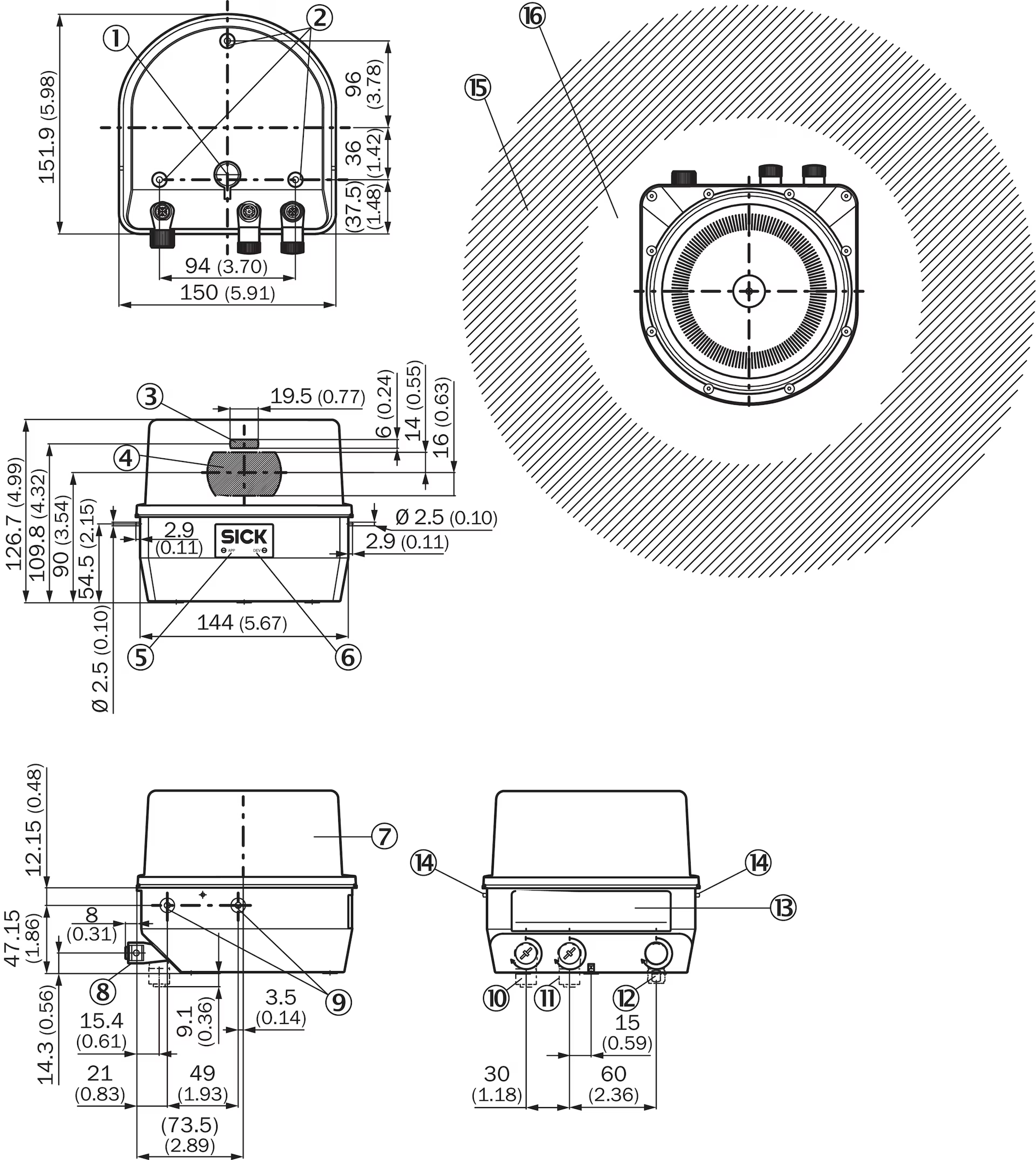
Dimensional drawing
Dimensions in mm (inch)
① Gore-Tex membrane
② Fixing hole M5 x 7.5 (3 x)
③ sender
④ receiver
⑤ LED APP
⑥ LED DEV
⑦ Optical hood
⑧ Rotatable connections (max. 270°)
⑨ Fixing hole M5 x 7.5 (2 x)
⑩ Ethernet connection
⑪ I/O connection
⑫ POWER connection
⑬ type label
⑭ Locating pin for hooking into the bracket during mounting
⑮ Measuring range > 500 mm
⑯ Near range < 500 mm
Characteristic | Value | Note |
Size (w * h * d) | 151.9 mm x 150 mm x 126.7 mm | |
Weight | 1.7 kg | |
Operating environment | Indoor and Outdoor | |
Connector | M12 | 10/100 MBit/s |
Rating | IP67 | IP65 (IEC 60529:1989+AMD1:1999+AMD2:2013)
IP67 (IEC 60529:1989+AMD1:1999+AMD2:2013) |
Electrical specifications
Characteristic | Value | Note |
Power supply voltage | DC 10V/DC 30V | |
Power supply current | 13W | Typ. 13 W, Max. 20 W |
Optical specifications
Characteristic | Value |
Aperture angle | 360° |
Angular resolution | 0.02°@12.5Hz / 0.04°@25Hz; up to 0.24°@25Hz |
Framerate | 12.5 Hz to 25 Hz |
Max range for hand tracking | 14 m (0.02°@12.5Hz) |
Max range for finger tracking | 10 m (0.02°@12.5Hz) |
Ranging technology | LiDAR |
Wavelength | 886 nm |
Laser class | 1, complies with 21 CFR 1040.10 except for the conformance according to “Laser Notice No. 56” from May 8, 2019 (IEC 60825-1:2014, EN 60825-1:2014) |
Amount of evaluated echoes | 3 |