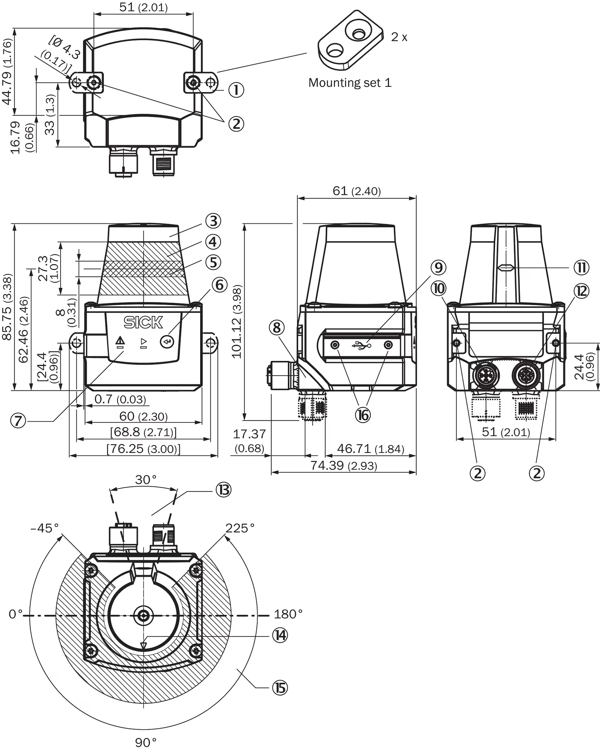
Dimensional drawing
Dimensions in mm and (inch)
① 2 x straight plates with M3 x 4 mm screw (included in delivery)
② M3 threaded mounting hole, 2.8 mm deep (blind hole thread), max. tightening torque 0.8 Nm
③ Optical hood
④ Receiving range (light inlet)
⑤ Transmission range (light emission)
⑥ push-button (no function)
⑦ Red and green LED (status displays)
⑧ swivel connector unit
⑨ Micro USB female connector, type B
⑩ connection “Power/Synchronization output” 5-pin, M12 male connector
⑪ Marking for the position of the light emission level
⑫ “Ethernet” connection, 4-pin M12 female connector
⑬ Area in which no reflective surfaces are allowed for mounted devices
⑭ Bearing marking to support alignment (90° axis)
⑮ Aperture angle 270° (scanning angle)
⑯ 2 x countersunk screw (Torx TX 6) M2 x 4 mm
Characteristic | Value | Note |
Size (w * h * d) | 60 mm x 60 mm x 86 mm | |
Weight | 250 g | Without cables |
Operating environment | Indoor and Outdoor | |
Connector | M12 | |
Rating | IP67 | Only when plastic lid « Aux » is closed
(IEC 60529:1989+AMD1:1999+AMD2:2013) |
Electrical specifications
Characteristic | Value | Note |
Power supply voltage | 9 V … 28 V DC | |
Power | 4 W | Typical 4W |
Optical specifications
Characteristic | Value |
Aperture angle | 270° |
Angular resolution | 0,33° |
Frequency | 15 Hz |
Max absolute range (10% / 90%) | 8m / 10m |
Max range for hand tracking | 4 m |
Ranging technology | LiDAR |
Wavelength | 850 nm |
Laser class | 1 (IEC 60825-1:2014, EN 60825-1:2014) |