Characteristic | Value | Note |
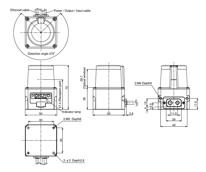
Size (w * h * d) | 50×50×70mm | Sensor only |
Weight | 130g | Excluding cable |
Operating environment | Indoor | -10°C to +50°C, below 85%RH (without dew, frost) |
Connector | RJ45 | Ethernet 100BASE-TX |
LED display | Power supply LED display (Blue) | Blinks during start up and malfunction state |
Rating | IP65 | Indoor only |
Electrical specifications
Characteristic | Value | Note |
Power supply voltage | DC 12V/DC 24V | Operation range 10 to 30V (ripple within 10%) |
Power supply current | 150mA or less | During start up 450mA is necessary. |
We recommend to power it with POE from our servers by adding a POE splitter at the sensor
Optical specifications
Characteristic | Value |
Aperture angle | 270° |
Ranging technology | LiDAR |
Wavelength | 905nm |
Laser class | 1 (IEC60825-1:2007) |
Characteristic | UST10LX | UST10LX-H01 | UST20LX | UST20LX-H01 |
Angular resolution | 0.25° | 0.125° | 0.25° | 0.125° |
Framerate | 40 Hz | 40Hz | 40 Hz | 40 Hz |
Max range for hand tracking | 10 | 10 | 20 | 20 |
Max range for finger tracking | ||||
Amount of evaluated echoes | 1 | 1 | 1 | 1 |
Recommendation
UST10LX has a low precision, we recommend it only for small size or low precision project
UST10LX-H01 is the recommended model
UST20LX-H01 can be used in long range application and low precision object tracking, but we usually recommend the Sick picoscan serie that is more recent with better performance
Note : The UST10LX-H02 has similar specs as the UST10LX-H01, but is not recommended to use (the laser shape format results in lower performances for touch tracking applications)