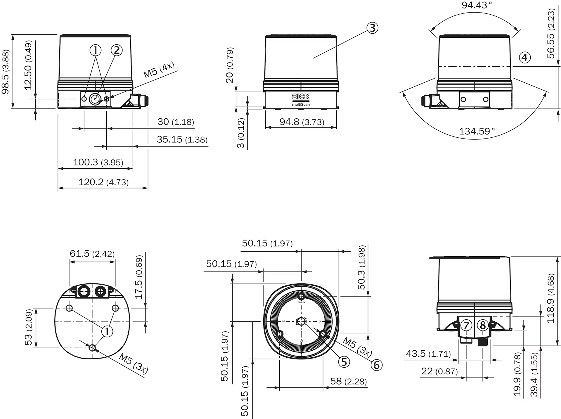
Dimensional drawing
Dimensions in mm and (inch)
① Fixing hole M5 x 7.5 (device)
② ventilation element
③ Optical hood
④ Visual zero position with maximum viewing range
⑤ direction of rotation
⑥ Fixing hole M5 x 7.5 (accessories)
⑦ supply voltage connection
⑧ Network connection
Characteristic | Value | Note |
Size (w * h * d) | 100.3 mm x 100.3 mm x 98.5 mm | |
Weight | 0.7 kg | |
Operating environment | Indoor and Outdoor | |
Connector | M12 | 100 Mbit/s |
Rating | IPX9K | IP65 (IEC 60529:1989+AMD1:1999+AMD2:2013)
IP67 (IEC 60529:1989+AMD1:1999+AMD2:2013)
IP69 (IEC 60529:1989+AMD1:1999+AMD2:2013)
IPX9K (ISO 20653) |
Electrical specifications
Characteristic | Value | Note |
Power supply voltage | DC 9V/ DC 30V | |
Power supply current | 10W | 22 W, typ. 10 W, Power-up max. 35 W for 5 s |
Optical specifications
Characteristic | Value |
FoV (Horizontal) | 360° |
FoV (Vertical) | 65° (22.5° ... -42.5°, DIN ISO 8855) |
Angular resolution | 0.125°, 2 high-resolution scan layers
1°, 14 scan layers |
Frequency | 20Hz |
Max absolute range (10% / 90%) | 10m / 30m |
Max range for hand tracking | 7m |
Max range for finger tracking | 8m |
Ranging technology | LiDAR |
Wavelength | 850nm |
Laser class | 1 (IEC 60825-1:2014, EN 60825-1:2014) |