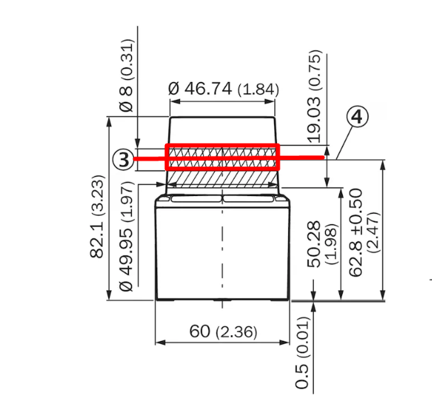
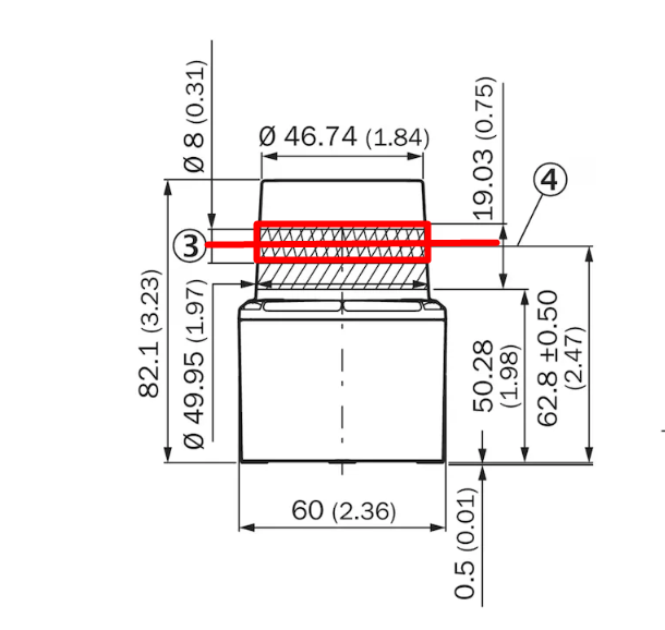
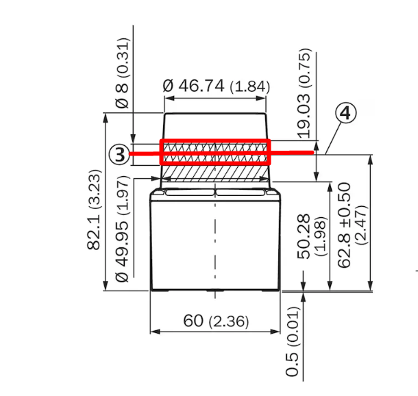
Dimensional drawing
Dimensions in mm and (inch)
① M4 threaded mounting hole; 4.2 mm deep, tightening torque 2.5 nm
② Tightening torque 2.5 nm, screw included in plug unit
③ Sending area
④ Transmission axis
⑤ Support point
⑥ M4 threaded mounting hole; 5.4 mm deep, tightening torque 2.5 nm
⑦ Area in which no reflective surfaces are allowed for mounted devices
Characteristic | Value | Note |
Size (w * h * d) | 60 mm x 60 mm x 82 mm | |
Weight | 220 g | Without system plug |
Operating environment | Indoor and Outdoor | |
Connector | M12 | 10 Mbit/s ... 100 Mbit/s, half/full-duplex |
Rating | IP67 | IP65 (IEC 60529:1989+AMD1:1999+AMD2:2013)
IP67 (IEC 60529:1989+AMD1:1999+AMD2:2013) |
Electrical specifications
Characteristic | Value | Note |
Power supply voltage | DC 9V/DC 30V | |
Power supply current | 4.5W | Typ. 4.5 W, Max. 17 W |
Optical specifications
Characteristic | Value |
Aperture angle | 276° |
Ranging technology | LiDAR |
Wavelength | 905nm |
Laser class | 1 (IEC 60825-1:2014, EN 60825-1:2014+A11:2021) |
Characteristic | Core | Prime | Pro |
Angular resolution | 0.25° | 0.05° to 0.25° | 0.05° to 0.25° |
Framerate | 25Hz | 15Hz to 50Hz | 15Hz to 50Hz |
Profiles* | 25Hz - 0.25° | a. 15Hz - 0.05° (most precise)
b. 25Hz - 0.25° (core emulation)
c. 40Hz - 0.125° (balanced)
d. 50Hz - 0.25° (fastest) | 15Hz - 0.05° (most precise)
25Hz - 0.25° (core emulation)
40Hz - 0.125° (balanced)
50Hz - 0.25° (fastest) |
Max range for hand tracking**
Distance from the LiDAR | 4.6 m (with min count 4)
5.3 m (with min count 3) | a. 15 m (for 4 rays)
b. same as Core
c. 8 m (for 4 rays)
d. 4.5 m (for 4 rays) | |
Max range for finger tracking**
Distance from the LiDAR | / | a. 15 m (for 2 rays)
b. /
c. 9 m (for 2 rays)
d. 3 m (for 2 rays) | |
Max absolute range (10% / 90%)*** | 12m / 25m | 25m / 47m | 40m / 75m |
Amount of evaluated echoes | 3 | 3 | 3 (included) |
*More Hz means more data per second so “faster” ; Less degree° means more rays so more precision
*The picoscan Prime and Pro can emulate a Picoscan Core with the profile Core
** At 10% and 90% remission and 10 klx
