Fog and rain mode
This sensor has specific parameters to allow for rainy or foggy condition.
Please contact us for details
Glass mode
This sensor do have specific parameters to allow to place behind behind one or several glass material. The specific tuning can be found in the interface.
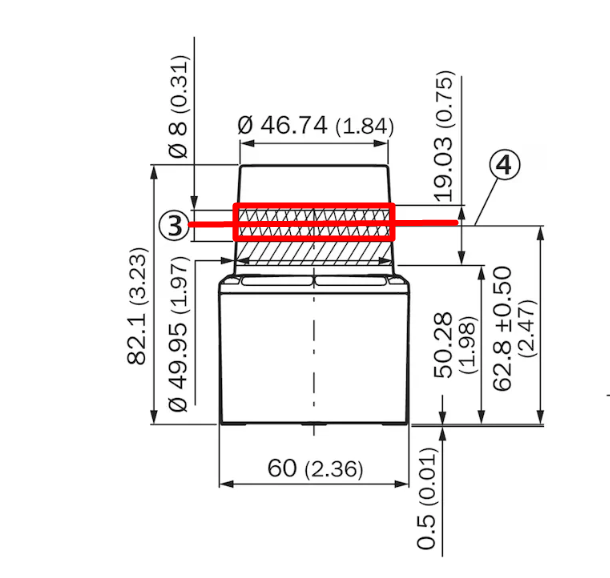
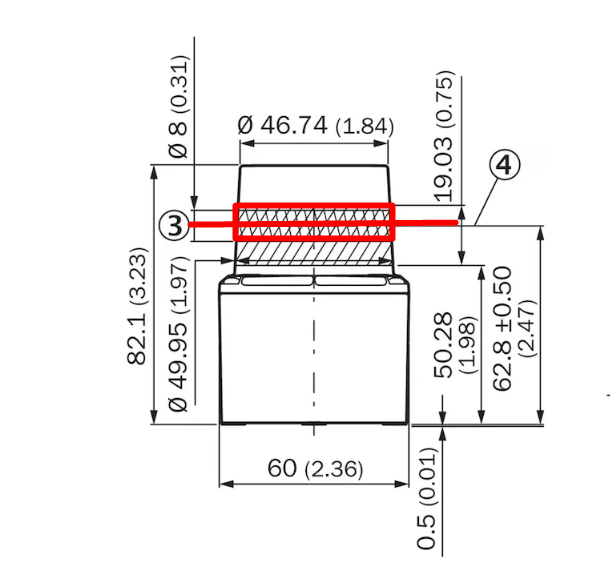
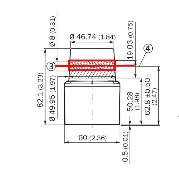
Finger precision sensor positioning
For a finger precision setup (only with Prime or Pro)
- Use the most precise profile from the sensor
- Place the sensor close to the wall in the way described below (the lidar ray must be as close as possible from the wall)

