Specifications

Image without caption

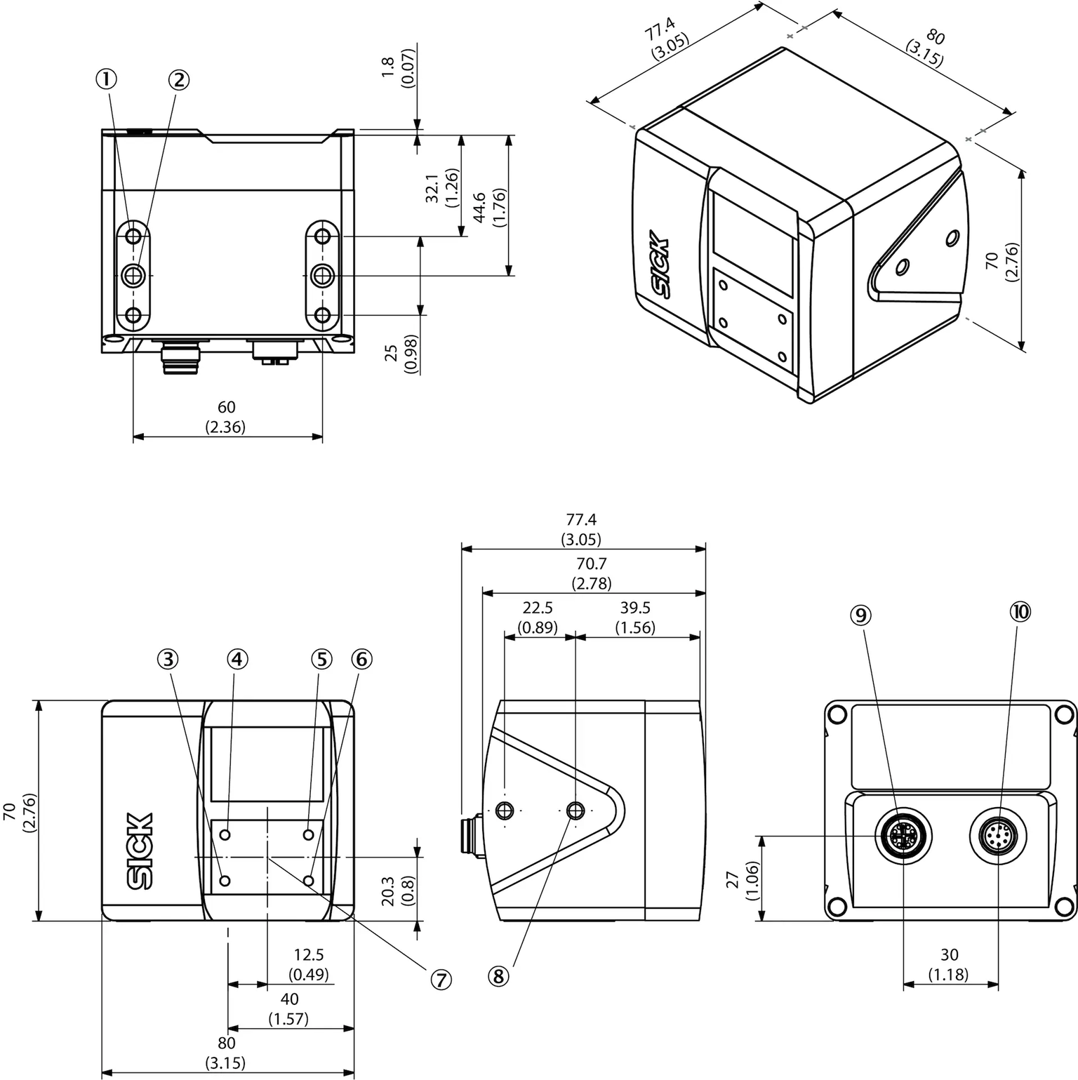
Dimensional drawing

Dimensions in mm (inch)
① Threaded mounting hole, M5, 7.5 mm depth (4x)
② Fit ø 5H7, 7 mm depth (2x)
③ Device status display
④ Application status display
⑤ Ethernet status display
⑥ Application status display
⑦ Sensor coordinate origin
⑧ Threaded mounting hole M5, 5.5 mm depth (4x)
⑨ “Ethernet” connection, 8-pin M12 female connector, X-coded
⑩ “Power/I/O” connection, 8-pin M12 male connector, A-coded
Characteristic
Value
Note
Size
80mm x 70mm x 77mm
Sensor without accessories
Weight
520g
Sensor without accessories
Weight with minimal set of accessories
130mm x 80mm x 140mm
Sensor + heat sinks + mount
Weight with minimal set of accessories
1000g
Sensor + heat sinks + mount
Size with complete set of accessories
130mm x 80mm
Sensor + heat sinks + mount + sensor hanger + cable adapters
Weight with complete set of accessories
1250g
Sensor + heat sinks + mount + sensor hanger + cable adapters
Minimal set of accessories
Minimal set of accessories
Complete set of accessories
Complete set of accessories
More details in the Accessories manualAccessories manual

Environment

➡️
See Outdoor instructionsOutdoor instructions for more details

Electrical specifications

Characteristic
Value
Max power rating
48W
Power over Ethernet (PoE) capable
No
💡
We provide a power supply (PSU) accessory, see Accessories manualAccessories manual for the specifications

Optical specifications

Characteristic
Value
Field of View (FoV)
70° x 60°
Throw ratio
0.71
Max resolution
512px x 424px
Framerate
30fps
Range for human tracking
0.5m - 8m
Ranging technology
time-of-flight
Wavelength
855 nm, ± 5 nm
Ingress protection
IP67

Connectors

💡
Please note that the connectors listed here are the ones on the sensor, we provide the necessary accessories, (seeAccessories manualAccessories manual) The sensor needs to be connected directly to the server. (see Augmenta server wiringAugmenta server wiring)
Category
Type
Network
M12 X-coded 8 pins female with locking thread
Power
M12 A-coded 8 pins male with locking thread

Network specs

Characteristic
Value
Bandwidth for max res @ max fps
~560Mbit/s
Network interface
100/1000 Mbit/s